Kontaktujte nás: info@in-eco.sk

Membránové dúchadlá Alita

spoľahlivé dúchadlá do ČOV, na prevzdušňovanie a iné aplikácie.

KONTROLA A ÚDRŽBA


 

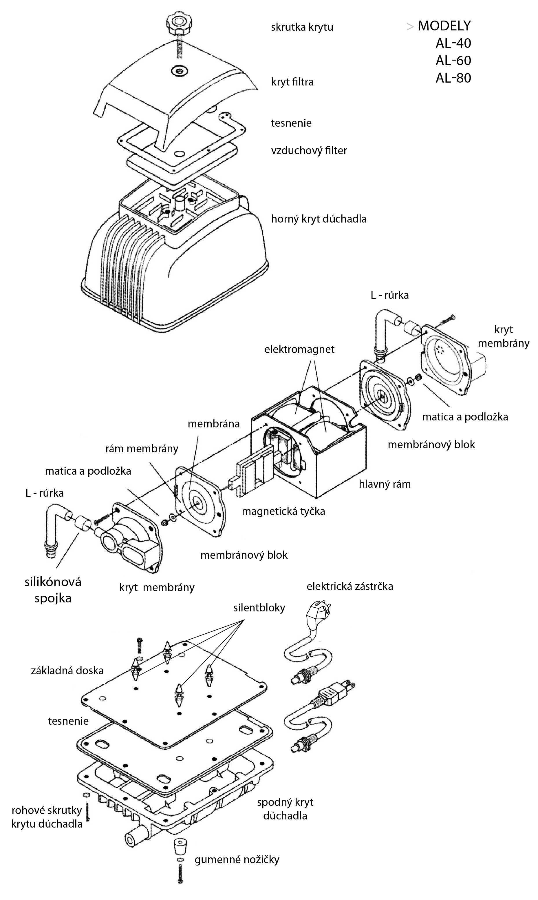
Membránové dúchadlo - jeho schéma a popis náhradných dielov. Pre väčší náhľad alebo stiahnutie súboru použite sekciu Stiahnuť.


KONTROLA


Pravidelne kontrolujte dúchadlo a súvisiace potrubie, rozvod vzduchu (plynu). Kontrolujte najmä teplotu zariadenia a nasávaného vzduchu a tiež znečistenie vzduchového filtra (filtračnej vložky). Kontrolujte usadzovanie prachu a odstráňte prach, ktorý by obmedzoval vetranie alebo chladenie.
Ak sa vyskytne neobvyklý hluk alebo drsný chod dúchadla, odpojte ho od elektrickej siete a skontrolujte jeho stav. Prípadnú opravu zverte autorizovanému servisu IN-ECO


ÚDRŽBA


Pri údržbe odpojte zariadenie od elektrickej siete, aby ste predišli úrazu elektrickým prúdom. Údržbu nevykonávajte ak je zariadenie zahriate na prevádzkovú teplotu. Kvôli údržbe si dôkladne pozrite montážnu schému dúchadla.


Pravidelne kontrolujte a vymieňajte:
> vzduchový filter (filtračnú vložku),
> membrány (servisný kit).


Výmena vzduchového filtra
Vzduchový filter (filtračnú vložku) pod krytom filtra čistite minimálne každé 2 mesiace a každých 6 mesiacov ju doporučujeme vymeniť  vrátane tesnenia. Kvôli dodávke náhradných dielov kontaktujte svojho dodávateľa dúchadla alebo autorizovaný servis IN-ECO.


Demontáž vzduchového filtra:
1. odskrutkujte skrutku na kryte filtra a zložte kryt,
2. vytiahnite filter a skontrolujte jeho znečistenie a neporušenosť  tesnenia,
3. vymeňte, prípade „vyperte“ filter.


Pranie filtra: zľahka umyte v mierne teplej mydlovej vode a dôkladne opláchnite. Pred inštaláciou nechajte úplne vysušiť!
Pri výmene filtra vymeňte aj tesnenie vzduchového filtra. Staré tesnenie stiahnite z osadzovacích kolíkov a nové na ne opatrne založte.


Montáž vzduchového filtra: založte nový alebo vypraný filter do rámu v hornom kryte dúchadla. Priskrutkujte kryt filtra. Modely dúchadiel s oblým tvarom krytu majú jednoznačnú orientáciu krytu filtra určenú drážkou v kovovom odliatku horného krytu dúchadla a perom v (plastovom) kryte filtra.


Výmena membrán


Membrány sú súčasť dúchadla, ktorá podlieha opotrebeniu a na takéto opotrebenie sa nevzťahuje záruka. Pravidelná výmena membrán (2ks), prípadne celého servisného kitu (2 membrány a 2 viečka membrán), je štandardnou údržbou dúchadla. Vymieňajte ich pravidelne každé dva roky prevádzky. Výmenu membrán zverte autorizovanému servisu IN-ECO. Nedodržaním intervalu výmeny membrán zanikajú všetky nároky na záruku. Takto vzniknuté škody nemôžu byť predmetom reklamácie a záručnej opravy.

V prípade nejasností nás kontaktujte alebo pridajte komentár cez formulár nižšie.

Polia s hviezdičkou * sú povinné.

Pridať komentár

Prehľad komentárov

  • Membrány do dúchadla Alita AL-60

    3.6.2014 12:07:15 | Zákazník

    Kde zoženiem najrýchlejšie membrány do dúchadla AL-60?

    Odpovedať

  • Nákup membrán do dúchadla

    3.6.2014 12:24:59 | Erik

    Ak ste z okolia Ružomberka môžete navštíviť autorizovanú predajňu priamo v Ružomberku, Radlinského 13 alebo si to objednáte náhradné diely priamo v eshope. Link http://www.membranovekompresory.sk/kategorie/nahradne-diely/

    Odpovedať

  • Membránové dúchadlo AL-60

    18.8.2014 14:32:49 | Michal

    Dakujem membrany mam a uz su aj namontovane, dúchadlo funguje ako ma

    Odpovedať

  • membrany na AL60

    29.5.2016 17:14:43 | Kamil

    dobry den, potreboval by som kupit 2 membrany na AL60, nemusi byt cely kit, vicka mam v poriadku. Dakujem.

    Odpovedať

  • Al 60

    8.8.2016 22:45:00 | Marcel Petrus

    Dobrý deň vzduchovadlo z cov mi začalo vibrovať tiež je horúce a netlačí vzduch viete mi poradiť servis v Presove alebo máte nejakú opravnú sadu? Ďakujem

    Odpovedať

  • membrany inw 60

    7.9.2016 20:40:55 | RastislavTabak

    Nedaju sa kupit iba cisto membrany?Naco kupovat aj tak pre mna predrazeny kit ked tam staci vymenit membrany.

    Odpovedať | Zobraziť odpovede

    • membrany inw 60

      12.9.2016 20:49:44 | Rastislav

      rad by som apeloval na dovozcu servisnych dielov aby setrili zivotne prostredie a to objednavanim iba cisto membran z gumy za par centov a nezatazovali aj nas ako spotrebitelov neprimeranov cenou zbytocnych dielov -kolo toho ak su v poriadku.

      Odpovedať

  • Viečka

    19.12.2016 8:45:51 | Erik

    Dobrý deň
    Viečka sa musia meniť kvôli tomu, pretože obsahujú spätné ventily, ktoré sa pri výmene membrán takisto musia meniť pretože dúchadlo by iba po výmene membrán nemalo taký dobrý tlak a prietok vzduchu.

    Odpovedať

  • pumpa al 60 p

    24.6.2017 19:49:05 | Roman Mrenká

    Dobrý deň chcem sa opýtať ako dlho môže byt čov bez pumpy, dnes sa mi pokazila vyhadzuje poistky a keď ho zapnem podskakuje a vydáva drkotavy zvuk ,neviem či je to membrána alebo niečo iné dá sa to poslať do ineco na servis alebo by to dlho trvalo a radšej urýchlene kúpiť novú .dakujem

    Odpovedať

Pravidelná kontrola dúchadla ako na to ?